GB Series

May not be exact product – for reference only.

18F-4Z-C5

Lead Time: 

Control Voltage

250V

output

10A

terminal configuration

Blade

options

Optional retainer (GB-PR)

$10.18

Description of Function

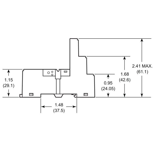
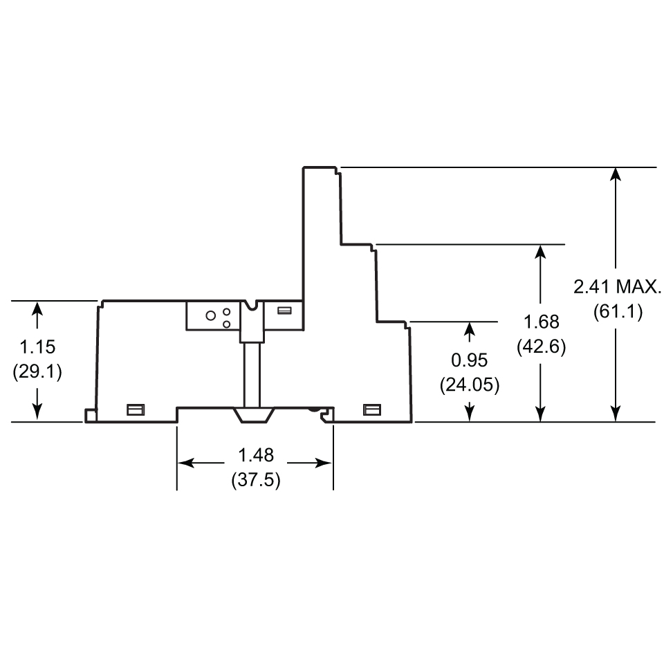
The 18F-4Z-C5 is a finger-safe 14 blade screw or DIN rail mounted terminal socket made for the GB general purpose relay series.

Product Overview

Features:

N/A

Enclosure Style:

N/A
Configuration / Contact Rating:
10A @ 250V
Application Information:
Wiring: 1 or 2, solid or stranded, 16-30 AWG Termination: Plus-minus screw (M3x8) with pressure plate. Tighten to recommended torque of 5.2 in-lb (maximum 6.9 in-lb) Temperature: Operating, -25° C to 85° C (-13° F to 185° F); Storage, -40° C to 85° C (-40° F to 185° F
Approvals:

Operations

N/A

Product Reviews

Do you have experience with this product? Leave us a review!
Add a review
18F-4Z-C5 18F-4Z-C5
Rating*
0/5
* Rating is required
Your review
* Review is required
Name
* Name is required
0.0
Based on 0 reviews
5 star
0%
4 star
0%
3 star
0%
2 star
0%
1 star
0%
0 of 0 reviews

Sorry, no reviews match your current selections