SFF Series
Description of Function
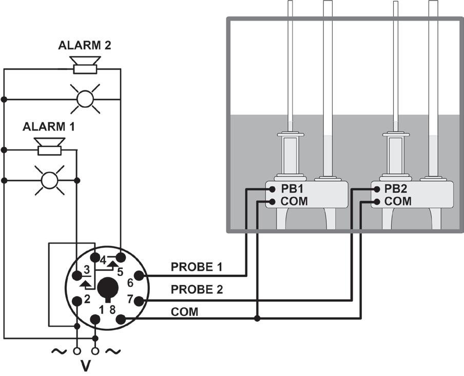
Two wires from the relay are connected to a resistance-sensing probe in the pump seal cavity and the grounded motor housing or across two probes to monitor for seal leakage using a low-voltage DC signal. If the seal starts to leak,
contaminating fluid enters the seal cavity. This lowers the resistance between the internal probe and the common connection. When the resistance drops below the user-adjustable sensitivity set-point of the relay, the output relay energizes and the LED turns Red ON. The relay output can be used to give an alarm indication of a leaking seal.
Description of Function
Product Overview
Features:
Monitors Submersible Pump Seals for Leakage Two Adjustable Sensitivity Ranges Full Status Indication on Top of Unit for Easy Troubleshooting Low-Profile Adjustment Knob 8 Pin Back-Mounted Socket Provided with Relay
Enclosure Style:
Flange-enclosure designed for deadfront door-mounting
Configuration / Contact Rating:
8 Pin Single Channel: SPDT 10A @ 240V AC/7A @ 28V DC / 8 Pin Single Channel: SPDT 10A @ 240V AC/7A @ 28V DC 8 Pin Dual Channel: (2) SPNO 5A @ 240V AC/28V DC
Application Information:
Voltage Tolerance: AC Operation: +10/-15% of nominal at 50/60 Hz. Load (Burden): 3 VA Indicator LEDs: Seal Leak: Green ON with input voltage applied; no seal leak and relay energized; Red ON when seal leak detected and relay de-energized Temperature: Green ON with input voltage applied, normal temperature condition and relay energized; Red ON when over temperature detected and relay de-energized Probe Voltage: 5V DC Response Time: Pick-up & Drop-out: 1 Second Output Contacts: 7A @ 240V AC/7A @ 28V DC, 1/4HP @ 120V AC (N.O.) Life: Mechanical: 10,000,000 operations; Full Load: 100,000 operations Temperature: -28° to 65° C (-18° to 149° F)
Approvals:
Operations
SF Series Pump Seal Failure Relays are designed to monitor the shaft seals of submersible pumps. A resistive-measuring probe is installed in the pump seal cavity. With input voltage applied, the LED is Green ON. If the seal starts to leak, contaminating fluid enters the seal cavity, which lowers the resistance between the internal probe & the common connection. When the resistance drops below the user-adjustable sensitivity set-point of the relay, the output relay energizes & the LED turns Red ON. The relay output can be used to give an alarm indication of a leaking seal. These products will automatically reset when the fault condition clears. Probes are pulsed with a DC voltage to prevent electroplating.
Product Reviews
Do you have experience with this product? Leave us a review!
Add a review
SFF240C100
Rating*
0/5
* Rating is required
Your review
* Review is required
Name
* Name is required
Email
* Email is required
0.0
Based on 0 reviews
| 5 star | 0% | |
| 4 star | 0% | |
| 3 star | 0% | |
| 2 star | 0% | |
| 1 star | 0% |
0 of 0 reviews
Sorry, no reviews match your current selections



