TCF Series
Description of Function
Two wires from the relay are connected to a N.C. thermal switch in the windings of the pump motor to monitor for overheating. A low-voltage DC signal is applied to check the status of the thermal switch. Two additional wires are connected to a single or dual resistance-sensing probe and the grounded motor housing, or across two probes to monitor for seal leakage using a low-voltage DC signal. These products have isolated output contact relays, one for over temperature and one for seal leakage. The over temperature set-point is fixed at 5K ohms. Two adjustable seal leakage sensitivity ranges are available: 4.7K-100K ohms and 1K-250K ohms.
With input voltage applied, normal temperature condition (thermal switch closed) and no seal leakage, the over temperature relay is energized and the seal leak relay is de-energized. Both LEDs are Green, indicating normal conditions and input voltage applied. When the motor temperature rises and the N.C. thermal switch opens, the over temperature relay is de-energized, opening a contact that had been closed and turning off the pump contactor. The TEMP LED turns Red. If the over temperature condition is cleared, the unit will reset based on the setting of the Over Temp switch. In the AUTO mode, the unit will reset automatically. In the MANUAL mode, the Over Temp Reset button must be pushed to clear the alarm and reset the relay.
If the seal starts to leak, contaminating fluid enters the pump motor cavity. This lowers the resistance between the internal probe and the common connection. When the resistance drops below the user-adjustable sensitivity set-point of the relay, the output relay energizes and closes a contact, which can be used to give an alarm indication of a leaking seal. The SEAL LED turns Red.
Description of Function
Product Overview
Features:
Monitors Submersible Pumps for Over Temperature & Seal Leakage Auto Reset for Over Temperature Two Adjustable Sensitivity Ranges for Seal Leakage Low-Profile Adjustment Knob Full status indication on top of unit for easy troubleshooting
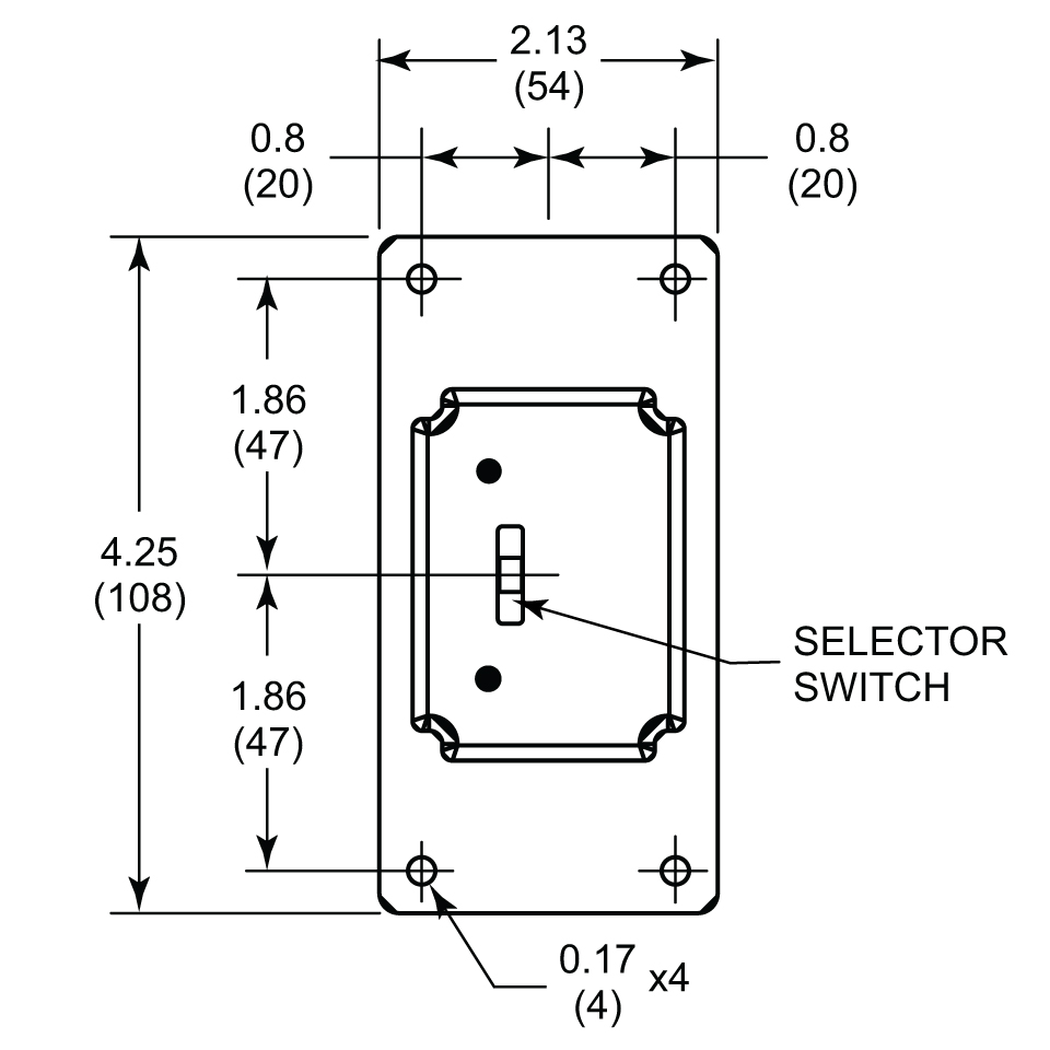
Enclosure Style:
Flange-enclosure designed for deadfront door-mounting
Configuration / Contact Rating:
(2) SPDT / 7A @ 240V AC/7A @ 28V DC
Application Information:
Voltage Tolerance: AC Operation: +10/-15% of nominal at 50/60 Hz. Load (Burden): 3 VA Indicator LEDs: Seal Leak: Green ON with input voltage applied; no seal leak and relay energized; Red ON when seal leak detected and relay de-energized Temperature: Green ON with input voltage applied, normal temperature condition and relay energized; Red ON when over temperature detected and relay de-energized Probe Voltage: 5V DC Response Time: Pick-up & Drop-out: 1 Second Output Contacts: 7A @ 240V AC/7A @ 28V DC, 1/4HP @ 120V AC (N.O.) Life: Mechanical: 10,000,000 operations; Full Load: 100,000 operations Temperature: -28° to 65° C (-18° to 149° F)
Approvals:
Operations
Macromatic TCF Series products protect submersible pumps against damage from both over temperature and seal leakage. This flexible unit can be connected in one of three ways to monitor for seal leakage: one probe to ground, two probes to ground and probe to probe. These products come with a switch to select either automatic reset or manual reset for an over temperature condition (for automatic reset only in a standard plug-in enclosure, see the TCP Series products). The flange-enclosure is designed to be mounted on an inner door and used with a back-mounted socket (included). Everything needed for setup, use and troubleshooting is on the top of the unit: status LEDs, switch to choose Automatic or Manual Reset mode for temperature, and a pushbutton for Manual Reset of an over temperature condition. They are all visible so that the door need not be opened to see the status of the over temperature or seal leakage condition.
Product Reviews
Do you have experience with this product? Leave us a review!
Add a review
TCF2D100
Rating*
0/5
* Rating is required
Your review
* Review is required
Name
* Name is required
Email
* Email is required
0.0
Based on 0 reviews
| 5 star | 0% | |
| 4 star | 0% | |
| 3 star | 0% | |
| 2 star | 0% | |
| 1 star | 0% |
0 of 0 reviews
Sorry, no reviews match your current selections




